
產品型號: RS-1210
產品名稱:?12不銹鋼制自由輸送機
滾筒使用不銹鋼材料,防銹性能好。滾筒直徑小,適用于輕小物品的搬運。
>>說明
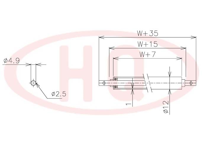
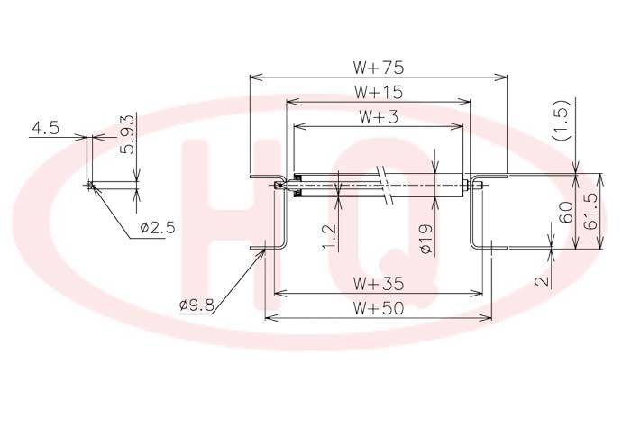
滾筒直徑:?12mm(壁厚1.0mm)
支架: 60mm槽鋼
幅寬: 100mm~500mm
承重量: max約22kg
>>仕様表
(単位 mm)
| 滾 筒 幅 寬 W (mm) | 100 | 200 | 300 | 400 | 500 | ||
| 滾筒承重強度 (kg) | 22 | 18 | 12 | 10 | 8 | ||
| 輸送機重量 3,000L (kg) | 15P | 23.2 | 33.1 | 4209 | 52.8 | 62.6 | |
| 20P | 20.3 | 27.8 | 35.2 | 42.7 | 50.2 | ||
| 滾筒(含軸)重量 (g) | 60 | 107 | 154 | 201 | 248 | ||
| 型 號 | 滾筒外徑(φ)×壁厚(t) 軸承 | 軸外徑(φ)×壁厚(t) 加工 | 支架形狀I×K×t 輸送機高(H) | 機 長 L | 滾筒 幅 寬 W | 滾筒間隔 P | ||||||
| RS-1210 | 19×1.2 SUS304 沖壓軸承 | 6 圓棒 SUS 半月 | [ 60×30×2 SUS304 61.5 | 1,000?2,000 3,000 | 100~500 任意尺寸 | 25?30 40 | ||||||
>>示意圖



