專業的皮帶輸送機解決方案供應商!
詳細參數下載
HQ R-3823NB/HQ R-3823
產品型號: HQ R-3823NB
HQ R-3823NB(精密軸承) 靜音軸承,耐久性好,旋轉時無噪音,承載重
HQ R-3823 (切削軸承) 切削軸承,旋轉性能好,旋轉時輕微噪音,承載重
HQ R-3823P (沖壓軸承) 沖壓軸承,旋轉性能好,旋轉時有噪音,承載中重
產品名稱:?38鋼制滾筒自由輸送機
>>說明
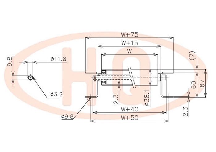
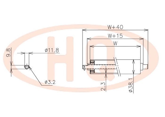
1.滾筒直徑:?38mm(壁厚2.3mm)
2.支架: 90mm槽鋼
3.幅寬: 100mm~1000mm
4.承重量: max約370kg
>>示意圖